AUST04
ERA
| tamaño: | |
|---|---|
| Estado de Disponibilidad: | |
| Cantidad: | |
Nombre del producto: CAMISETA DE HILO FEMAIE
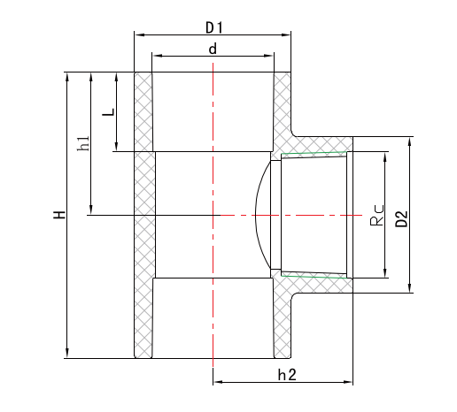
Número de artículo: AUST04
Conector final: enchufe
Material: PVC
Estándar: AS/NZS1477
Certificación: Marca de agua, BEP
Tamaño: 15x1/2''-50x1''
Colores: Blanco
