US018
ERA
| tamaño: | |
|---|---|
| Estado de Disponibilidad: | |
| Cantidad: | |
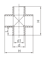
Nombre del producto: CRUZ
Número de artículo: US018
Material: UPVC
Estándar: DIN
Clasificación de presión: 145 PSI
Tamaño: 20-160MM
Colores: Negro Gris, Blanco, Azul, P299C Azul, Verde u otros colores disponibles a pedido
